2009' 11 / 26
スフェリカル・エンクロージャ加工図
穴あけから接着までの工程です。
|
加工図 |
スピーカ・ユニット取り付け穴
正確に加工するためにトリマ用に15mmのシナベニアでテンプレートと台座を製作しました。テンプレートはスピーカユニット取り付け穴用(107φ)と落とし込み穴用(132φ)の2種類で、台座とはコーナ・クランプを使いお互いに結合し半球をがっちり挟んで固定して加工に備えます。
|
加工台の製作→中心に半球を置きます |
|
|
テンプレートと台座で半球を挟み込み→トリマでトップを平らに加工 |
|
木屑が飛ぶのでこの作業はお風呂場で行いました。BSN仲間のアイデアです。掃除が楽でした。
|
周囲を少しづつ掘り進んで貫通→テンプレートを交換して落とし込み穴の加工 |
|
スピーカユニット取り付けから出た端材を、接着時と球体を一時的に置く台座として活用します。
|
端材を活用したスフェリカル・エンクロージャの台座 |
1個あたりの作業時間は慎重に進めたこともあり約1時間でした。2個目は要領が分かったこともあり30分程度と短縮できました。
|
スピーカ・ユニット取り付け穴 |
エンクロージャ内部加工
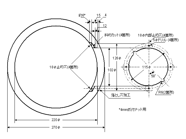
強固な構造を狙って板厚は25mmです。このままスピーカ・ユニットを取り付けるとダイアフラム裏面のエアフローを妨げ、干渉で中域の周波数特性が乱れます。フリーハンドでトリマを使いスピーカユニット取り付け穴の周辺を内部側で斜めにカットしています。これもスピーカ・エンクロージャ製作のノウハウのひとつで手は抜けません。
スピーカ・ユニット取り付けボルト受けのつめ付ナット用の止め穴加工やスピーカ端子用の取り付け穴と止め穴加工も施しました。
|
スピーカ・ユニット取り付け穴裏側 |
エンクロージャ内部塗装
木よう工房からのアドバイスで内部塗装が必要との事です。外側や加工穴周りを養生してから、シリコンクリアラッカーを5層、入念に塗装しました。木目が浮き上がりこのまま鑑賞していたいぐらい綺麗です。
|
内部塗装の模様 |
|
接着
タイト・ボンドを塗布してからハタ金で圧着、12時間以上と十分すぎる時間をかけて接着しました。11月26日遅くまでかかりました。
|
12時間圧着接着(上部は端材を使った台座) |