2015' 7 / 1
ウーファ用カウンタ・ウェイト
スピーカの高音質化を図る上で、エンクロージャの箱鳴りは看過できないもののひとつだ。音楽信号と相関が無い異音ともいえるこの雑音は、再生音の品位を著しく損ねてしまう。スピーカのエンクロージャ箱鳴り対策はいかにあるべきか?

発生のメカニズム

再生中のスピーカ・ユニットのバック・プレートに触れると、大きく振動していることが分かる。この振動は超低音域で特に激しい。これこそがエンクロージャ固有の箱鳴り雑音の「みなもと」だ。

振動対策
ダイアフラムを正確に駆動するには振動支点であるポール・ピースは動いてはならない。ポール・ピースを静止する唯一無二の方法は、そのバック・プレートに巨大な質量を付加することだ。十分な効果が認められるカウンタ・ウェイト(通称デッド・マス)の重量は、ダイアフラム等価質量の100倍以上とされる。口径40cmウーファなら14kg以上だ。

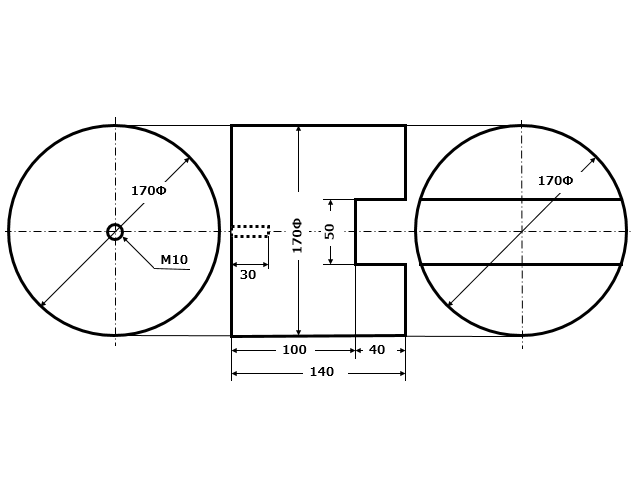
カウンタ・ウェイト
重量に余裕をみた運用中のPW4014型口径40cm三菱ハニカム・ウーファ用カウンタ・ウェイトの設計図だ。バック・プレート直径と同じ170mmφの真鍮丸棒から140mmにカット、バック・プレート面にエア抜きの溝を、対向面の中心にM10タップ30mmを配した。


真鍮加工

調達と加工は、横浜伸銅 ( http://yoko-shin.jp )に依頼した。@24.1kgと超重量級だ。

効果確認
超重量級のカウンタ・ウェイトをバック・プレートに重ねるとバック・プレートの振動が見事に抑えられる。音がどのように改善されるのか期待が膨らむ。

定スキーム
カウンタ・ウェイトによる改善効果を、振動センサにDAEX25VT-4型エキサイタ(横浜ベイサイドネットhttp://www.baysidenet.jp/ )を用いて測定した。スピーカを8Vp-p 1W / 8Ωでドライブしてバック・プレートの振動をDAEX25VT-4型エキサイタでピックアップ、MySpeakerでカウンタ・ウェイト有り無しの差を振動・周波数特性で相対比較する。


基準特性
バック・プレート上に振動センサ ( DAEX25VT-4型エキサイタ ) を設置した。


改善特性
バック・プレートに重ねたカウンタ・ウェイトを上に振動センサ ( DAEX25VT-4型エキサイタ ) を設置した。

改善量
黒のソリッド・ラインがカウンタ・ウェイト無し、赤のソリッド・ラインがカウンタ・ウェイト有りだ。ピーク周波数における振動レベルの減少は14dBにも及ぶ。劇的ともいえる大きな改善の伸びしろはスピーカ・ユニットがまだまだ改善の余地がある何よりの査証だ。


カウンタ・ウェイト接着
カウンタ・ウェイト接着面塗布の模様 金属用2液エポキシ接着剤を、接着面上で混合してまんべんなく濡らし伸ばして自重で圧着した。

カウンタ・ウェイト接着面塗布の模様

バック・プレート接着面塗布の模様

センタ・ズレ対策

圧着硬化中のセンタ・ズレ(クリープ)防止に、養生テープの上から締め付けベルトで固定した。


サポータ
カウンタ・ウェイト自由端のサポータ (支持台)の設計図

24mm厚シナベニアの調達と加工は渋谷東急ハンズに依頼した。いつもながら正確な仕上がりだ。

サポータはステンレスM10ボルトで取り付けた。このように自立する仕組みだ。

エンクロージャ振動の改善
センサ ( DAEX25VT-4型エキサイタ ) をエンクロージャの天板の中心に設置して振動を検出し。エンクロージャを基準として、大理石を重ねた状態、カウンタ・ウェイトを装着して大理石を重ねた相対データだ

エンクロージャ天板の振動が、大理石、大理石+カウンタ・ウェイトの順に改善される。低音域から中音域にいたる広い周波数範囲の振動が、カウンタ・ウェイトによりノイズ・レスと言えるほど激減することが分かる。28Hzのピーク周波数で振動レベル改善は-22dBにも及ぶ。対策としてパーフェクトと言える

音響測定
カウンタ・ウェイト有り無しの参考比較データだ。カウンタ・ウェイトによるエンクロージャ内容積の減少による最低共振周波数とQの上昇と最低共振周波数近傍でレスポンスの増加などが認められるが差は僅かだ

振幅特性
最低共振周波数70Hz近傍でわずかにレベルが増加する

歪率特性
最低共振周波数70Hz近傍で偶数次高調波に僅かな増加が認められる

インピーダンス特性
最低共振周波数とピークインピーダンスが上昇しQが先鋭になる

サイン・ショット
差は無い。

視聴
カウンタ・ウェイトの効果音の違いを、球形スピーカをトィータとした2ウェイ・システムで視聴した。球形スピーカのスピーカ・ユニットはピュア・マグネシウムのフォステクス製MG100HR-S型に2.4kgの真鍮製カウンタ・ウェイトを装着している。それぞれのモジュールは受け持ち帯域をFBQ2496PQEでフラット化して時間合わせを行い、SSCによる位相回転の無いネットワークで正確につなぎ合わせた。クロスオーバ周波数は250Hz、スロープは120dB/octだ。

ステレオ・イメージが劇的に改善される。左右のスピーカの幅を超えて3次元的に並ぶ楽器が明確でシャープに定位する。オーケストラの各パートがきめ細やかに分離され、つぶが立つように聴こえる。目を閉じて聴くコンサート・ホールの生演奏のイメージを彷彿とさせる。楽器のサイズや定位が滲んで不明瞭だった原因のひとつは、エンクロージャの箱鳴りによるものだった。


エピローグ
ダイアフラムを音楽信号通りに駆動し、雑音の発生を抑制するためには振動支点は動いてはならないのだ。大きく重かった初期型のフィールド・エキサイト型の磁気回路は、アルニコからフェライトへ、そしてネオジウムへと高性能化・軽量化を遂げて現在に至っている。スピーカ・ユニットが備えるべき重要な性能のひとつに、巨大な質量を忘れてはならない。エンクロージャ固有の響き箱鳴りは綺麗か否かではなく、そのものがあってはならないのだ。
 
スピーカ・システムの物理評価にS/N比の項目は見当たらない。スタティックなS/N比測定は意味がなく、ダイナミックなS/N比測定は原理的に困難だからだ。このダイナミックなS/N比のノイズの「みなもと」であるエンクロージャとスピーカ・フレームの振動をカウンタ・ウェイトは激減させてくれる。カウンタ・ウェイトは先立ち達がいうようにスピーカ・システムのS/N比改善をもたらしてくれる。

気になっていたウーファ・モジュールのハードウェア部分がようやく片付いた。改善すべきは多い。次はファームウェアでもあるドライブだ。愉しみは尽きない。